Horká vodní nádrž 120 litrů s výměníky tepla pro zvyk a pitnou vodu
Informace o výrobci
Jméno: Zakład Urządzeń Grzewczych ELEKTROMET
Adresa: Gołuszowice 53, 48-100 Głubczyce, Pl
E-mail: export@elektromet.com.pl
Webová stránka: https://elektromet.pl/en/
Evropský výrobce: Ano
Lieferzeit Deutschland
Paket 1 - 3 Tage
Spedition 3 - 5 Tage
Lieferzeit Europa
Paket 3 - 5 Tage
Spedition 5 - 7 Tage
Garantiert sicherer Checkout

Horká vodní nádrž 120 litrů s výměníky tepla pro zvyk a pitnou vodu
Zásobník teplé vody 120 litrů - Zásobník užitkové a pitné vody 120 litrů
Ten/Ta/To Zásobník teplé vody 120 litrů s 1 výměníkem tepla se používá pro centrální a bezpečný ohřev teplé vody.
Vysoce účinný výměník tepla 120litrového zásobníku teplé vody ohřívá užitkovou vodu uvnitř pomocí tepelné energie z tepelného zdroje. sluneční soustava nebo z kotle.
Další možností ohřevu teplé vody je připojení Fotovoltaický systém s dodatečnou montáží 1 1/2" topné tělesokterá je připojena k vyrovnávací paměti.
Dlouho Zásobník teplé vody je chráněn proti korozi vysoce kvalitním smaltovaným povlakem. Vestavěná hořčíková anoda (ochranná, obětní anoda) poskytuje dodatečnou ochranu proti korozi uvnitř zásobníku.
Výhody:
- Velmi dobrý poměr cena/výkon
- Vysoký komfort ohřevu teplé vody pro objem 100 - 180 litrů
- Vysoce účinný výměník tepla
- S cirkulační přípojkou
- Připojení pro 1 1/2" Elektrický topný článek
- Velká hořčíková anoda pro ochranu proti korozi
- Tepelně izolační polyuretanová pěna (PUR), pevně napěněná
- Ochrana proti korozi uvnitř díky vysoce kvalitnímu smaltovanému povlaku
- Lze kombinovat s:
Kotle na tuhá paliva
Kotel na zplyňování dřeva
kotel na pelety
Kombinovaný kotel
Solární termální systém
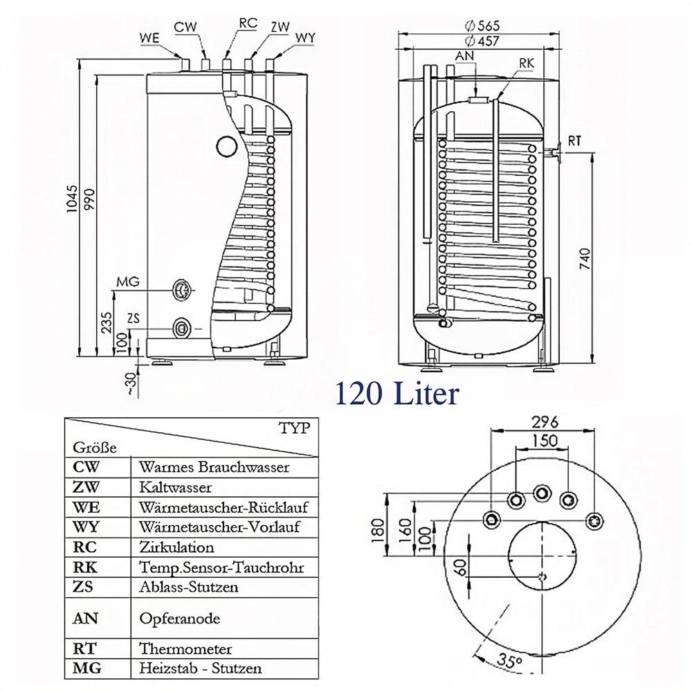
Technické údaje zásobníku teplé vody 120 litrů:
- Objem: 120 litrů
- Plocha výměníku tepla: 1,4 m²
- Objem výměníku tepla: 6,1 litru
- Připojení přívodu a zpátečky vytápění: 3/4" AG
- Připojení přívodu a vratné vody: 3/4" AG
- Připojení cirkulace: 3/4" AG
- Připojení hořčíkové anody: 1 1/4" IG
- Připojení pro elektrické vytápění: 1 1/2" IG
- Tepelná izolace: polyuretanová pěna (PUR)
- Max. provozní teplota skladování 95 °C
- Max. provozní tlak zásobníku/výměníku tepla: 6 barů
- Max. provozní teplota výměníku tepla 100 °C
- Ztráta: 32 wattů
- Rozměry s izolací (průměr x výška): 565 x 1045 mm
- Hmotnost (prázdná): 71 kg
Rozsah dodávky:
- Skladování pitné vody s 1 výměníkem tepla včetně izolace
- pojistný ventil
- Pokyny pro provoz a údržbu