PV hetkeline veesoojendi küttemoodul avariikütteks 1 1/2" MDC 400P
Herstellerinformationen
Name: Zakład Urządzeń Grzewczych ELEKTROMET
Adresse: Gołuszowice 53, 48-100 Głubczyce, Pl
E-Mail: export@elektromet.com.pl
Webseite: https://elektromet.pl/en/
Europäischer Hersteller: Ja
Lieferzeit Deutschland
Paket 1 - 3 Tage
Spedition 3 - 5 Tage
Lieferzeit Europa
Paket 3 - 5 Tage
Spedition 5 - 7 Tage
Garantiert sicherer Checkout

PV hetkeline veesoojendi küttemoodul avariikütteks 1 1/2" MDC 400P
Järelkütte moodul/hetkeline veesoojendi/avariiküte 1 1/2" MDC 400P – Usaldusväärne lisaküte teie süsteemile
Toote ülevaade
MDC 400P järelküttemoodul on uuenduslik lisamoodul, mis on spetsiaalselt loodud avatud ja suletud kütteringide jaoks. See pakub tõhusat avariikütte lahendust katla või soojuspumba rikete korral, tagades mugava soojuse isegi ootamatutes olukordades.
Lisaks saab moodulit kasutada kütte toetamiseks madalatel välistemperatuuridel ning see võimaldab kasutada kodu fotogalvaanilise süsteemi ülejäävat energiat keskkütteks. Seega ühendab süsteem kaasaegse tehnoloogia suure paindlikkusega.
Eelised ja omadused
MDC 400P peamine eelis on madal soetushind, mis teeb sellest kulutõhusa moderniseerimislahenduse. Kiire paigaldus ja minimaalne ruumivajadus võimaldavad hõlpsat integreerimist olemasolevatesse küttesüsteemidesse.
Kõrgelt isoleeritud korpus, mis koosneb töötlemata terasest sisemusest ja pulbervärvitud plastist välispinnast, tagab ohutu ja tõhusa soojusülekande. Lisaks tagab 50 mm paksune polüuretaanvahust valmistatud kvaliteetne isolatsioon optimaalse soojuse säilitamise.
Tehnilised üksikasjad
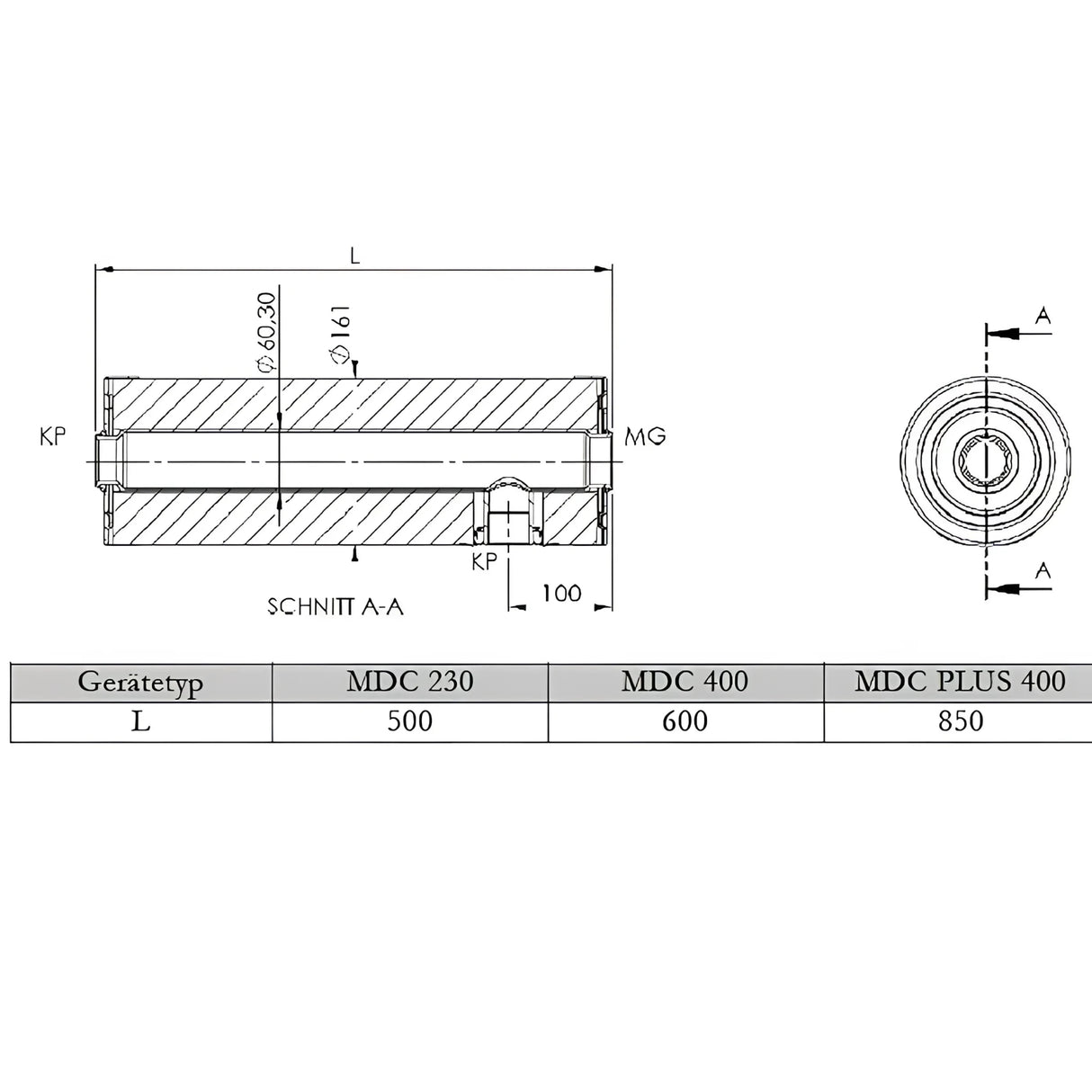
Moodulil on ühendusvõimalused 1 1/4" IG peale- ja tagasivoolu jaoks, samuti 1 1/2" Kütteelemendi IG. See töötab maksimaalselt lubatud töötemperatuuril 90 °C ja töörõhul kuni 10 baari, mistõttu on see mitmekülgne ja vastupidav.
Minimaalse voolukiirusega 9,0 kW või 514 l/h ja siseläbimõõduga 60 mm vastab järelküttemoodul rangetele tehnilistele standarditele. MDC400 Plus kütteelemendi moodul võimsusega 9,0 kW (400 V) sobib ideaalselt ning selle mõõtmed läbimõõduga 161 mm ja pikkusega 850 mm tagavad kompaktse disaini.
Võimalikud kasutusalad ja rakendusvaldkonnad
MDC 400P järelküttemoodul pakub laia valikut rakendusi – alates avariiküttest elektrikatkestuse korral kuni kütte varutootmiseni kriitilistel talvekuudel. Koos soojuspumpade või kateldega annab see olulise panuse teie küttesüsteemi varustuskindlusse.
Selle paindlik kasutamine avatud ja suletud küttesüsteemides ning ühendus kuni 9,0 kW küttepadrunitega muudavad selle ideaalseks lisamooduliks. See võimaldab optimaalselt leevendada hooajalisi temperatuurikõikumisi või planeeritud hooldustöid.
Tehnilised andmed
- Peale- ja tagasivooluühendus: 1 1/4" IG
- Kütteelemendi ühendus: 1 1/2" IG
- Maksimaalne lubatud töötemperatuur: 90 °C
- Maksimaalne lubatud töörõhk: 10 baari
- Korpuse materjal: seest töötlemata teras, väljast pulbervärvitud
- Korpuse isolatsioon: 50 mm polüuretaanvaht
- Väliskest: plastik, värvus: hall
- Minimaalne vooluhulk: 9,0 kW/514 l/h
- Sobiv küttekeha MDC400 Plus moodulile: 9,0 kW (400 V)
- MDC mooduli siseläbimõõt: 60 mm
- MDC400 Plus mõõtmed (läbimõõt x pikkus): 161 mm x 850 mm
Tarnekomplekt
- MDC 400P moodul
- Assamblee &võimendi kasutusjuhend