Telefon +49(0)39262 878720

E-mail: gemashop@gema-net.de

WhatsApp: +49(0)17660429928

  • livrare rapida

  • Ajutor și sfaturi gratuite

  • Retururi fără probleme

  • Deschis 7 zile pe săptămână

Anhaltinerring 17, 39439 Güsten

Deschis L-Jo 7:00-17:00; vineri 7:00-16:00; Sâmbătă 9:00-12:00

Caleffi  |  SKU: KSG1

Controller

Nume: CALEFFI S.p.a.

Adresă: S.R. 229, n. 25, 28010 Fontaneto d'Agogna (NO) Italy

E-mail: info@caleffi.com

Site web: https://www.caleffi.com/de-de

Producător european: Da

Pret normal 35,14 €
tVA inclus. Expediere va fi facturat la finalizarea comenzii.


Livrare și expediere

Timpul de procesare este de obicei de 1 zi lucrătoare. Livrarea coletelor este de 1-3 zile lucrătoare. Pentru expedierea de mărfuri, timpul de livrare este de 3-5 zile lucrătoare. Timpii de livrare în afara Germaniei variază.

Description

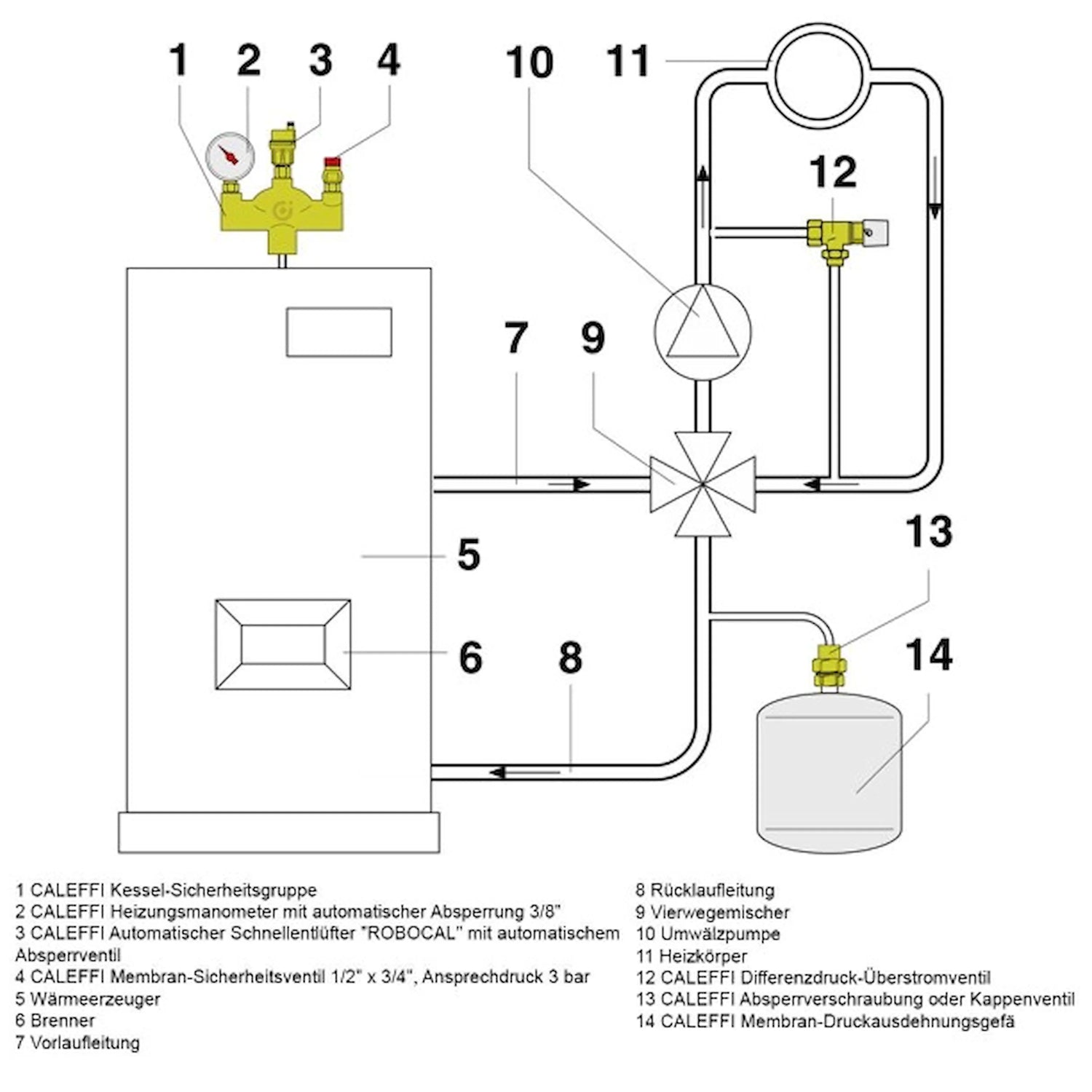
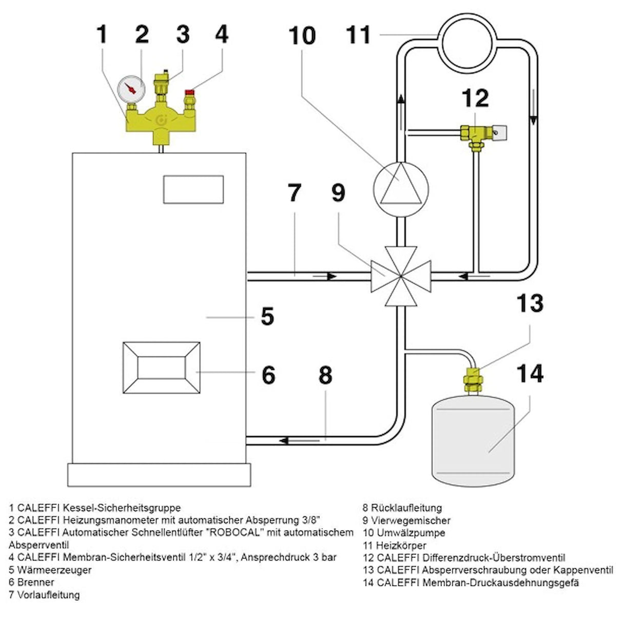
Grup de siguranță pentru cazan 1" Caleffi

Cod producător: 302631

Domenii de aplicare

Pentru sisteme de încălzire închise conform DIN 4751 până la o capacitate de 50 kW sau 45.000 kcal/h

supapă de siguranță 1" pentru cazane - 3 bar

Complet cu aerisire rapidă, supapă de siguranță și manometru.

Consolă fabricată din alamă turnată masivă MS58.
Datorită formei speciale, bulele mici de aer conținute în apa de încălzire sunt direcționate forțat către orificiul automat de aerisire rapidă Caleffi.

Conexiune inferioară cu 1" Filet interior pentru linia de conectare la generatorul de căldură.

Carcasă preformată din polistiren conform DIN 4102-A1 ca izolație.

Conținutul livrării:

  • Grupul de Siguranță a Cazanelor Caleffi 1"
  • Izolație pentru grupul de cazane
  • Manometru pentru grupul de cazane
  • Supapă de siguranță pentru grupul de cazane

Date tehnice: Grup de siguranță pentru cazan

  • Conexiune cu filet interior 1"
  • Manometru de încălzire ¼"
  • Supapă de închidere automată 3/8"
  • Temperatura maximă de funcționare: 110°C
  • Supapă de siguranță 3 bar
  • Izolație din carcasă de polistiren DIN 4102-A1
  • Poate fi utilizat până la 50 kW
  • Dimensiuni 19,4x17,6x7,2cm

Grupul de securitate format din:

Manometru de încălzire 3/8", Ø 63 mm, cu steag verde și indicator de reglare roșu, carcasă metalică. Supapa de închidere automată 3/8" x 1/4" permite înlocuirea ușoară fără a goli sistemul.

Aerisitor automat CALEFFI „ROBOCAL” cu supapă de închidere automată; construcție din alamă; plutitor din plastic de înaltă calitate; supapă fiabilă. Racord 3/8" cu etanșare inelară.

Supapă de siguranță cu diafragmă CALEFFI 1/2" x3/4", testat pe componente; design compact din alamă; presiune de reglare 3 bar pentru putere de până la 50 kW sau 45.000 kcal/h.

plată & Securitate

Opțiuni de plată

  • American Express
  • Apple Pay
  • Bancontact
  • BLIK
  • EPS
  • Google Pay
  • iDEAL
  • Klarna
  • Maestro
  • Mastercard
  • MobilePay
  • PayPal
  • Przelewy24
  • Shop Pay
  • Union Pay
  • Visa

Informațiile dumneavoastră de plată sunt procesate în siguranță. Nu stocăm și nu accesăm informațiile cardului dumneavoastră de credit.

Recenzii ale clienților

Bazat pe 1 recenzie
100%
(1)
0%
(0)
0%
(0)
0%
(0)
0%
(0)
U
Uwe Gustke
Grupul de siguranță Caleffi

Bună ziua, totul este în regulă, magazin excelent, livrare rapidă.

Recenzii în alte limbi

Contactaţi-ne

reviews
See all reviews