Module de réchauffage chauffage d'urgence chauffe-eau instantané 1 1/2" MDC 230
Informations sur le Fabricant
Nom: Zakład Urządzeń Grzewczych ELEKTROMET
Adresse: Gołuszowice 53, 48-100 Głubczyce, Pl
Email: export@elektromet.com.pl
Site Web: https://elektromet.pl/en/
Fabricant Européen: Oui
Délai de livraison Allemagne
Forfait 1 - 3 jours
Expédition 3 à 5 jours
Délai de livraison Europe
Forfait 3 - 5 jours
Expédition 5 à 7 jours
Accueil en toute sécurité garanti

Module de réchauffage chauffage d'urgence chauffe-eau instantané 1 1/2" MDC 230
Module de réchauffage chauffage d'urgence chauffe-eau instantané 1 1/2" MDC 230 – Support thermique efficace
Présentation du produit
Le Module de post-chauffage - chauffe-eau instantané Le MDC 230 constitue un complément fiable et flexible aux systèmes de chauffage existants. Il s'intègre facilement aux circuits de chauffage ouverts et fermés et constitue une solution de secours ou de secours supplémentaire au système de chauffage principal.
Ce module assure un confort continu, notamment en période de forte demande ou de panne des sources de chaleur conventionnelles. Grâce à son installation rapide et à son faible encombrement, il est idéal pour les bâtiments neufs comme pour les projets de modernisation.
Avantages et valeur ajoutée
Le Module de post-chauffage - chauffe-eau instantané Le MDC 230 séduit par son faible coût d'acquisition et sa rapidité d'installation. Son boîtier isolé et sa conception compacte garantissent un encombrement minimal, un avantage même dans les espaces d'installation exigus.
En complément d'une installation photovoltaïque ou en secours en cas de panne du chauffage principal, le module fournit une chaleur fiable et économe en énergie. Son intégration facile aux systèmes existants améliore le confort de vie et favorise une stratégie de chauffage durable.
Détails techniques
Equipé d'un raccordement pour un élément chauffant de 1 1/2" Le module IG impressionne par sa construction robuste et son boîtier isolé. L'intérieur est en acier brut et protégé par une coque extérieure thermolaquée, garantissant sa durabilité.
L'isolation est assurée par une mousse polyuréthane de 50 mm d'épaisseur, contribuant à un fonctionnement économe en énergie. Parmi les autres caractéristiques techniques, on compte une température de fonctionnement maximale de 90 °C et une pression de service allant jusqu'à 10 bars, garantissant une utilisation sûre dans une grande variété de systèmes.
Le module est compatible avec des éléments chauffants de différentes classes de puissance, à savoir 1,5 kW, 2,0 kW et 3,0 kW à 230 V. Cette flexibilité permet une adaptation optimale aux besoins énergétiques individuels du système de chauffage.
Les débits minimaux varient en fonction de la puissance : 86 l/h pour 1,5 kW, 114 l/h pour 2,0 kW et 171 l/h pour 3,0 kW. Cela garantit un fonctionnement efficace du système de chauffage, même en cas de demande de chaleur variable.
Domaines d'utilisation et d'application
Le Module de post-chauffage - chauffe-eau instantané Le MDC 230 est utilisé dans les systèmes fonctionnant aux combustibles solides, au gaz, au fioul ou aux pompes à chaleur. Il alimente le circuit de chauffage en exploitant l'énergie excédentaire, provenant par exemple d'un système photovoltaïque, pour couvrir les besoins de chauffage.
Sa polyvalence le rend Module de post-chauffage - chauffe-eau instantané C'est la solution idéale pour les résidences secondaires et de week-end nécessitant un chauffage d'appoint. Elle est également utilisée en cas d'entretien ou de panne de chaudières, de chaudières à condensation ou de pompes à chaleur.
Données techniques
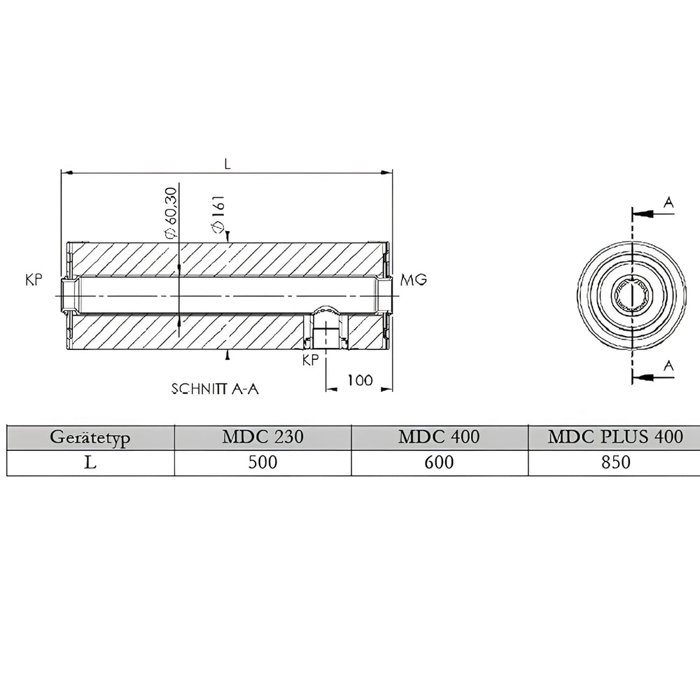
- Longueur du module : 500 mm
- Raccordement pour élément chauffant : 1 1/2" IG
- Buse de raccordement : 1 1/4 " IG
- Température de fonctionnement maximale autorisée : 90 °C
- Max.pression de service admissible : 10 bar
- Matériau du boîtier : acier brut à l'intérieur, revêtement par poudre à l'extérieur
- Isolation du boîtier : mousse polyuréthane 50 mm
- Coque extérieure : plastique, couleur : gris
- Débit minimum : 1,5 kW/86 l/h
- Débit minimum : 2,0 kW/114 l/h
- Débit minimum : 3,0 kW/171 l/h
- Éléments chauffants adaptés au module MDC230 : 1,5 kW | 2,0 kW | 3,0 kW (230 V)
- Diamètre intérieur du module MDC : 60 mm
- Dimensions MDC230 (diamètre x longueur) : 161 mm x 500 mm
- Avec séparation isolante
- Classe de protection : IP44
Contenu de la livraison
- Module MDC 230
- Assemblée &et instructions d'utilisation