Mesinganski regulator tlaka s manometrom za sustave za grijanje dodataka za kotlove
Podaci o proizvođaču
Ime: CALEFFI S.p.a.
Adresa: S.R. 229, n. 25, 28010 Fontaneto d'Agogna (NO) Italy
E-mail: info@caleffi.com
Web stranica: https://www.caleffi.com/de-de
Europski proizvođač: Da
Vrijeme isporuke Njemačka
Paket 1 - 3 dana
Dostava 3 - 5 dana
Vrijeme isporuke za Europu
Paket 3 - 5 dana
Dostava 5 - 7 dana
Zajamčena sigurna odjava

Mesinganski regulator tlaka s manometrom za sustave za grijanje dodataka za kotlove
Grupa za sigurnost bojlera 1" Caleffi
MPN: 302631
Područja primjene
Za zatvorene sustave grijanja prema DIN 4751 do kapaciteta 50 kW ili 45.000 kcal/h
sigurnosni ventil 1" za kotlove - 3 bara
Kompletan s brzim odzračivanjem, sigurnosnim ventilom i manometrom.
Konzola izrađena od punog lijevanog mesinga MS58.
Zbog posebnog oblika, mali mjehurići zraka sadržani u vodi za grijanje prisilno se usmjeravaju prema automatskom Caleffi brzom odzračniku.
Donja veza s 1" Unutarnji navoj za spojni vod na generator topline.
Unaprijed oblikovana polistirenska ljuska prema DIN 4102-A1 kao izolacija.
Opseg isporuke:
- Caleffi grupa za sigurnost bojlera 1"
- Izolacija za kotlovsku grupu
- Manometar za kotlovsku grupu
- Sigurnosni ventil za kotlovsku grupu
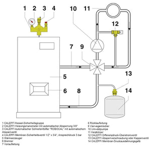
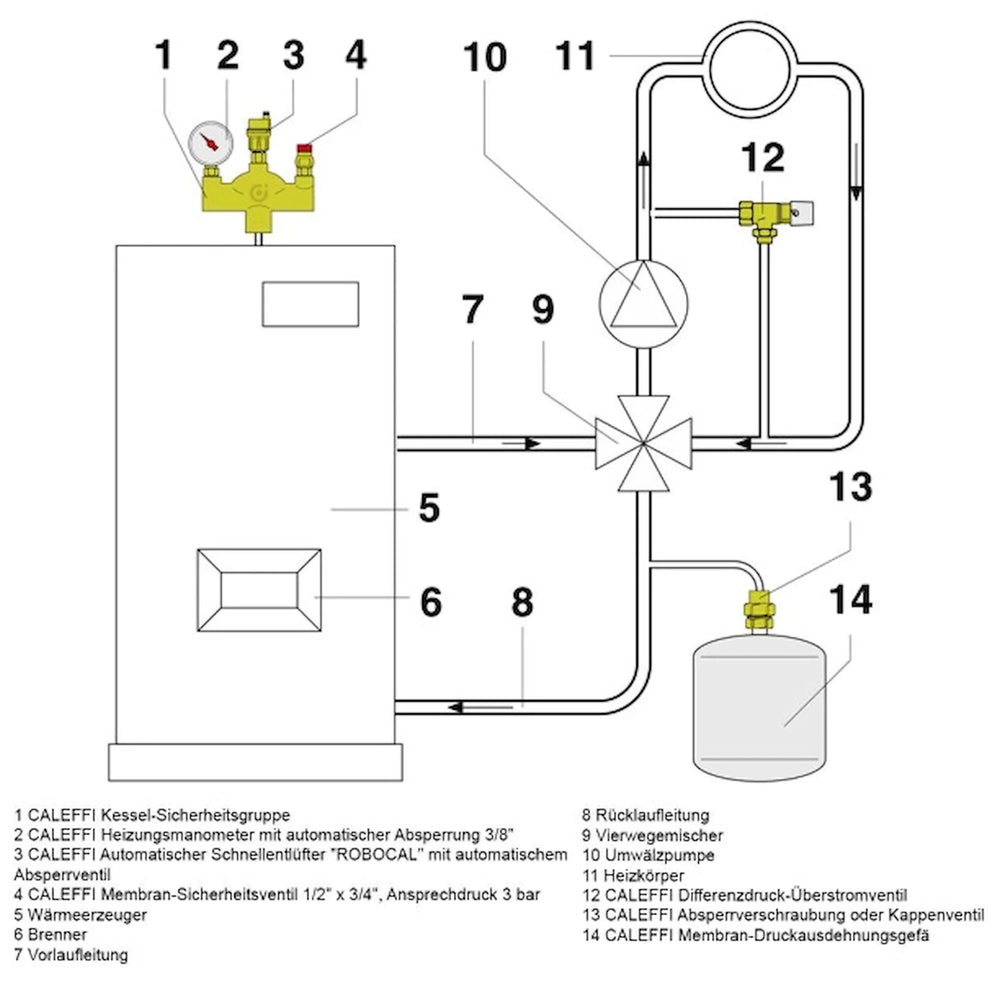
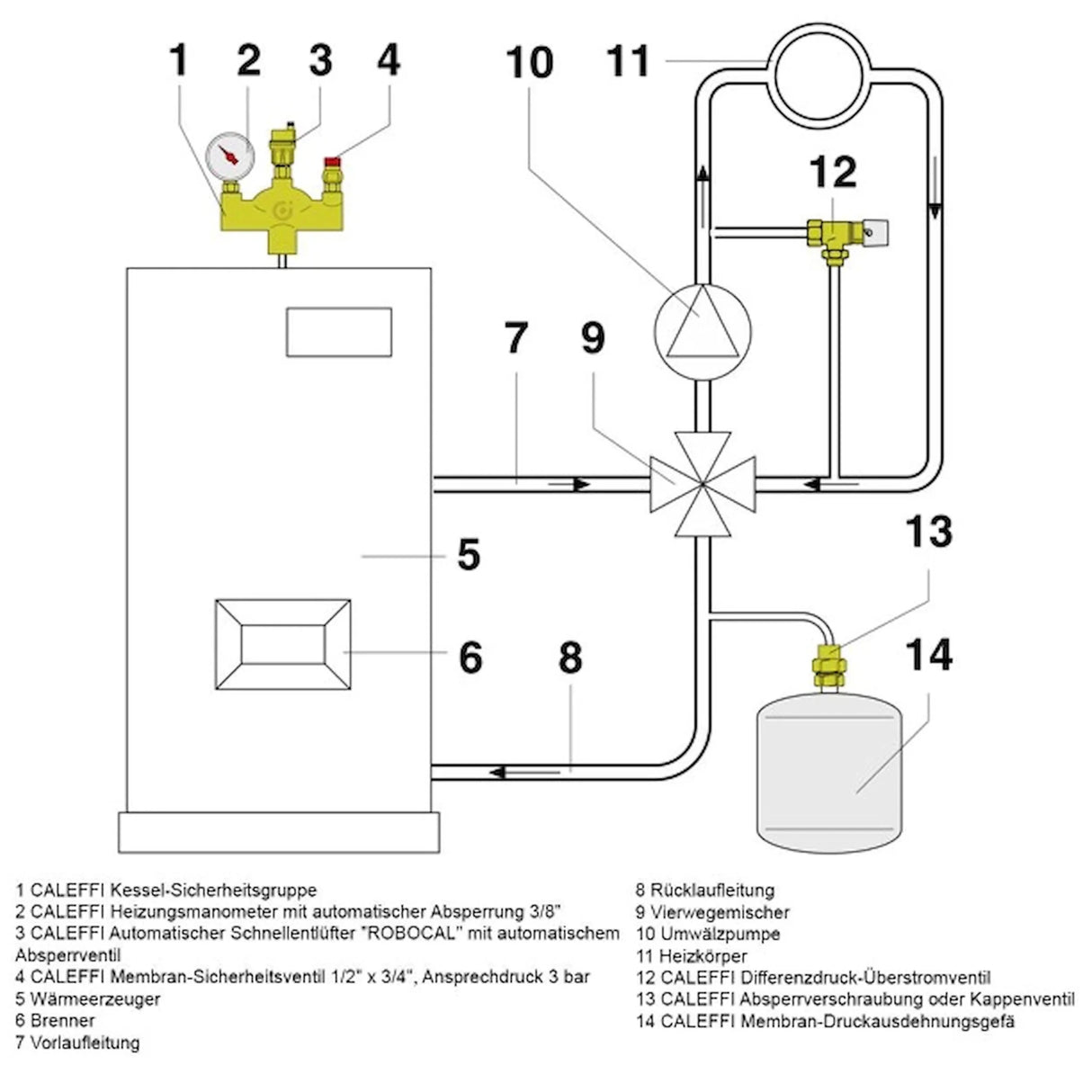
Tehnički podaci: Sigurnosna grupa kotla
- Priključak s unutarnjim navojem 1"
- Mjerač tlaka grijanja ¼"
- Automatski zaporni ventil 3/8"
- Maks. radna temperatura: 110°C
- Sigurnosni ventil 3 bara
- Izolacija od polistirenske ljuske DIN 4102-A1
- Može se koristiti do 50 kW
- Dimenzije 19,4 x 17,6 x 7,2 cm
Sigurnosna grupa koja se sastoji od:
Mjerač tlaka grijanja 3/8", Ø 63 mm, sa zelenom zastavicom i crvenim pokazivačem podešavanja, metalno kućište. Automatski zaporni ventil 3/8" x 1/4" omogućuje jednostavnu zamjenu bez pražnjenja sustava.
CALEFFI "ROBOCAL" automatski odzračnik s automatskim zapornim ventilom; mesingana konstrukcija; plovak od visokokvalitetne plastike; pouzdan ventil. Priključak 3/8" s O-prstenom za brtvljenje.
CALEFFI membranski sigurnosni ventil 1/2" x3/4", testirano na komponente; kompaktna mesingana izvedba; postavljeni tlak 3 bara za snagu do 50 kW ili 45 000 kcal/h.